
|
地埋式一體化泳池設備 專利號:ZL200930066822.X |
|
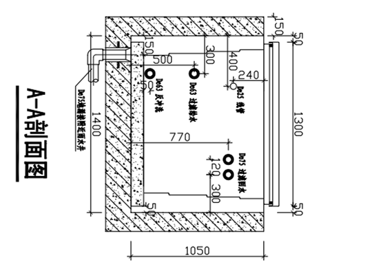
[菲臣fussen]地埋式無機房泳池過濾系統
F系列地埋式泳池過濾系統采用外循環過濾方式,它只需要嵌埋在泳池周邊預留合適的機坑位置,布管方式采用傳統砂缸圍繞泳池周邊的布管方式。它具有過濾量大,過濾效果徹底等優點,克服一般無機房掛壁式過濾設備容易產生死水區的缺點,是無機房泳池過濾設備的首選產品。 |
中鵬康體提供m.dejx.com.cn: 泳池桑拿設備, 游泳池水處理設備, 泳池設備廠家, 泳池工程公司, 無邊際泳池, 溫泉設備工程, 別墅泳池設計, 一體化恒溫泳池設備, 泳池建造, 水景噴泉